I got the stepper motor working, it works so well, but until Wednesday, I finally realized that the stepper motor requires 24V power! I tried to use 2 9V battery connect in serial circuit, but there are still not enough strength to rotate even one 9V battery!
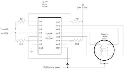
This is how the stepper motor work:
This is how the stepper motor failed to carry a battery:
As a alternative, we picked the continuous SERVO motor to keep working on this, but its problem is, we can not trace its position at all!
This ruins everything in our project, so we quickly get to contact with the Prof. He suggested us to build a "trigger plate". We are so happy that we got a solution after all.
This is what we build:
We tested it, no connection problem, but the Arduino board shows off readings. I never know if I use the digital pin to read, it could be such sensitive, even my finger get close to the pins, it will give a positive reading to the Arduino board, which means the circuit has been connected!
We tried to use LEDs attached to the Arduino board, to debug what was going on.
but, We failed, there is no way to solve this problem, we only have less than 18 hours until presentation!
In critical condition, I figured out a way that could judge which direction is the shortest way to get to the opposite direction of the tilting.
And, we have to change our weight, the 9V battery causes wiring problem, it is very easy to get
cling on the motor. so we use our soldering to wire on the wings of the motor, it looks extremely ugly and unprofessional...
After all these, we need to another larger sized container, the layout total changed.
In the end, the device works, but the effect became less effective due to change in shape of the container. Also the appearance is total destroyed.
If there are more time, we will hack a small 90 degree SERVO motor, keep our size as the original, so the feel of the central gravity's changing could stay strong and effective.


















